Notice
Recent Posts
Recent Comments
Link
| 일 | 월 | 화 | 수 | 목 | 금 | 토 |
|---|---|---|---|---|---|---|
| 1 | 2 | 3 | 4 | 5 | 6 | |
| 7 | 8 | 9 | 10 | 11 | 12 | 13 |
| 14 | 15 | 16 | 17 | 18 | 19 | 20 |
| 21 | 22 | 23 | 24 | 25 | 26 | 27 |
| 28 | 29 | 30 | 31 |
Tags
- LED
- vivado
- stop watch
- atmega 128a
- test bench
- prescaling
- Recursion
- pwm
- soc 설계
- structural modeling
- dataflow modeling
- D Flip Flop
- ATMEGA128A
- i2c 통신
- KEYPAD
- ring counter
- verilog
- BASYS3
- Linked List
- Pspice
- DHT11
- java
- behavioral modeling
- hc-sr04
- half adder
- uart 통신
- FND
- gpio
- Edge Detector
- Algorithm
Archives
- Today
- Total
거북이처럼 천천히
SoC 설계 (9월 9일, SoC 설계 입문 - (2)) 본문
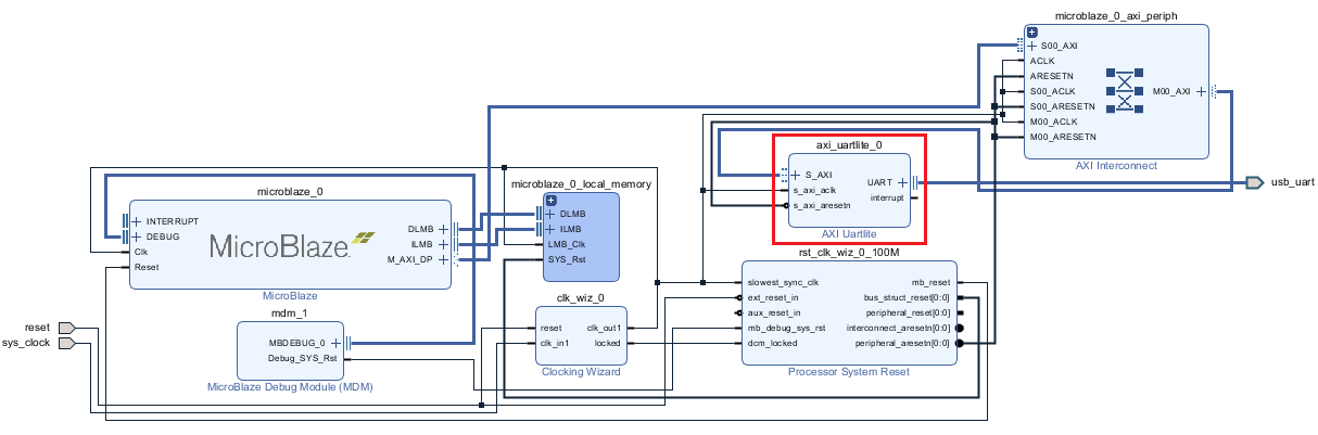
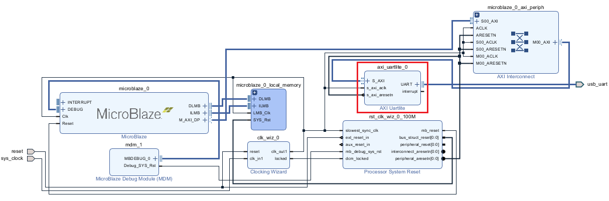
1. 맞춤형 MCU에 UART 모듈 및 기능을 추가하기


2. Create HDL Wrapper
- ‘Create HDL Wrapper’는 맞춤형 설계한 MCU의 블록 다이어그램을 HDL (Hardware Description Language) 파일로 감싸는 작업이다.
- 이를 통해 HDL 파일을 다른 HDL 파일과 블록 디자인에 쉽게 연결할 수 있는 인터페이스를 제공한다.
- 시뮬레이션이나 합성 과정에서 블록 디자인을 HDL 기반 도구과 호환하게 만들어준다.

- HDL 파일로 Wrapping 한 뒤, Generate Bitream 한다.

3. File → Export Export → Hardware


- Export Hardware 작업 수행한 뒤, 작업 폴더에 들어가면 Wrapping 된 xsa 파일이 새로 생성되었음을 확인할 수 있다.
'SoC Design > SoC 설계' 카테고리의 다른 글
| SoC 설계 (10월 24일, SoC 설계 - (3)) (0) | 2024.10.25 |
|---|---|
| SoC 설계 (10월 24일, SoC 설계 - (2)) (0) | 2024.10.24 |
| SoC 설계 (9월 9일, SoC 설계 입문 - (3)) (0) | 2024.09.10 |
| SoC 설계 (9월 9일, SoC 설계 입문 - (1)) (0) | 2024.09.09 |
