Notice
Recent Posts
Recent Comments
Link
| 일 | 월 | 화 | 수 | 목 | 금 | 토 |
|---|---|---|---|---|---|---|
| 1 | ||||||
| 2 | 3 | 4 | 5 | 6 | 7 | 8 |
| 9 | 10 | 11 | 12 | 13 | 14 | 15 |
| 16 | 17 | 18 | 19 | 20 | 21 | 22 |
| 23 | 24 | 25 | 26 | 27 | 28 | 29 |
| 30 |
Tags
- pwm
- java
- ring counter
- LED
- half adder
- prescaling
- soc 설계
- KEYPAD
- verilog
- behavioral modeling
- stop watch
- Edge Detector
- D Flip Flop
- gpio
- i2c 통신
- BASYS3
- Recursion
- FND
- Algorithm
- hc-sr04
- Linked List
- dataflow modeling
- uart 통신
- Pspice
- structural modeling
- atmega 128a
- vivado
- DHT11
- test bench
- ATMEGA128A
Archives
- Today
- Total
거북이처럼 천천히
SR Latch / D Latch 본문
1. Sequential logic circuit
- Flip Flop과 Latch는 디지털 논리 회로에서 1bit 값을 저장할 수 있는 순차논리 회로이다.
- Combinational logic circuit은 현재의 입력값에 의해서만 출력값이 결정되는 논리회로 이지만,
Sequential logic circuit은 현재의 입력값 뿐만아니라 전단의 과거 상태 의해서 출력값이 결정되는 논리 회로이다. - Sequential logic circuit은 Feedback 회로를 가지며, 이를 통해 출력이 논리 동작에 영향에 미친다.
2. Latch와 Flip-Flop
- Flip-Flop과 Latch 는 1bit 값을 저장할 수 있는 순차 논리 회로이지만, 차이점을 갖는다.
- Latch : Level sensitive 에서 동작하는 순차 논리 회로
- Flip-Flop : Edge sensitive 에서 동작하는 순차 논리 회로
- Latch 회로에서 CLK 단자에 펄스 전이 검출기를 설치하게 되면 Flip-Flop으로서 동작할 수 있다.

3. SR Latch
- SR Latch은 다음과 같은 진리표와 기호를 갖는다.
- R = 1 인 경우, 출력 값 Q를 Reset 하기 때문에 출력 값, Q는 0이다.
- S = 1 인 경우, 출력 값 Q를 Set하기 때문에 출력 값, Q는 1이다.
- R = 1, S = 1 인 경우. 출력 값 Q와 Q' 모두 0이 된다.

- SR Latch는 R = 1, S = 1을 입력값을 넣게 되면 출력값 Q, Q'는 모두 0이 된다.
그리고 R = 0, S = 0을 입력값을 넣게 되면 출력값 Q, Q'가 0 ▶ 1 ▶ 0 ▶...으로 발진하는 문제점이 발생한다. - 따라서 이에 대한 해결책으로 두 가지 방법이 있다.
- R = 1, S = 1 입력이 들어오지 못하도록 사전에 차단 (D Flip-Flop)
- R = 1, S = 1 입력이 들어오더라도 발진하지 않도록 설계 (JK Flip-Flop) - 추가적인SR Latch에 관한 내용은 아래 게시글을 참고하기 바란다.
Verilog RTL 설계 (6월 24일 - 4, 순차 논리 회로, Latch) (tistory.com)
Verilog RTL 설계 (6월 24일 - 4, 순차 논리 회로, Latch)
1. Sequential Logic Circuit 이란 무엇인가?Combinational Logic Cirucit은 현재 입력값에 의해서 회로의 출력 값이 결정되는 논리회로이다.Sequential Logic Circuit은 현재 입력값 뿐만 아니라 전 단의 과거 상태 값
jbhdeve.tistory.com
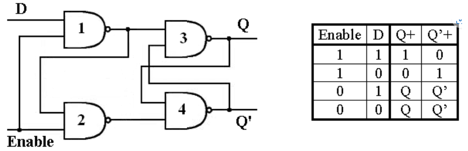
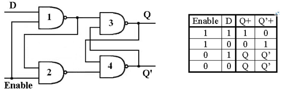
4. D Latch
- D Latch는 SR Latch의 발진 문제점을 방지하기 위해 아래와 같이 게이트 회로를 구성했다.
- D Latch인 경우에는 발진 문제의 원인인 S = 1, R = 1인 입력값이 들어오는 것을 방지하기 위해 하나의 입력값 D만 받고, D Latch내에서 invertor를 이용하여 서로 다른 두 개의 입력값을 만들어 이를 사용한다.

'논리 회로 > 디지털 논리 회로' 카테고리의 다른 글
| Ring Counter (0) | 2024.07.04 |
|---|---|
| Shift Register (0) | 2024.07.04 |
| PSpice를 통한 Grey 코드 구현 (0) | 2024.07.03 |
| 그레이 코드 (Grey code) (0) | 2024.07.03 |
| MUX와 DEMUX (1) | 2024.07.03 |