Notice
Recent Posts
Recent Comments
Link
| 일 | 월 | 화 | 수 | 목 | 금 | 토 |
|---|---|---|---|---|---|---|
| 1 | 2 | 3 | 4 | |||
| 5 | 6 | 7 | 8 | 9 | 10 | 11 |
| 12 | 13 | 14 | 15 | 16 | 17 | 18 |
| 19 | 20 | 21 | 22 | 23 | 24 | 25 |
| 26 | 27 | 28 | 29 | 30 | 31 |
Tags
- ring counter
- soc 설계
- dataflow modeling
- Pspice
- KEYPAD
- atmega 128a
- D Flip Flop
- BASYS3
- test bench
- Edge Detector
- half adder
- uart 통신
- Algorithm
- DHT11
- vivado
- FND
- Linked List
- LED
- verilog
- structural modeling
- i2c 통신
- behavioral modeling
- prescaling
- ATMEGA128A
- Recursion
- stop watch
- gpio
- hc-sr04
- pwm
- java
Archives
- Today
- Total
거북이처럼 천천히
MUX와 DEMUX 본문
1. MUX (MultipleXer)
- MUX는 여러 개의 입력선들 중 선택선에 의해 선택된 입력선으로 들어오는 데이터를 출력으로 내보내는 조합 논리 회로이다.
- MUX는 2^n개의 입력선과 n개의 선택선으로 부터 입력 값을 받고, 1개 출력선으로 출력을 내보낸다.
- MUX는 다음과 같은 과정을 통해 동작한다.
1) n 개의 선택선을 통해 2^n 개의 입력선 중 하나의 입력선을 선택
2) 선택 받은 입력선과 출력선을 연결
3) 한 번에 동시에 2^n 개의 입력선을 통해 여러 데이터가 MUX로 들어오지만, 실제로 출력으로 나가는 데이터는 선택선에게 선택 받은 입력선으로 들어오는 데이터만 출력으로 내보낸다.
2. DEMUX (DEMultipleXer)
- DEMUX는 MUX와 반대로 여러 개의 출력선들 중에서 선택선에 의해 선택된 출력선으로 들어온 데이터를 해당 출력선으로 내보내는 조합 논리 회로이다.
- DEMUX는 1개의 입력선과 n개의 선택선으로 부터 입력 값을 받고, 2^n개 출력선 중 하나의 출력선으로 출력을 내보낸다.
- DEMUX는 다음과 같은 과정을 통해 동작한다.
1) 1개의 입력선을 통해 DEMUX로 데이터가 들어온다.
2) n 개의 선택선을 통해 2^n 개의 출력선 중 하나의 출력선을 선택
3) 선택 받은 출력선으로 들어온 데이터를 내보낸다.
4) 즉, 출력선이 여러 개라고 하더라도 실질적으로 들어온 데이터를 내보내는 출력선은 단 하나인 것 뿐이다.
3. MUX와 DEMUX로 구성된 데이터 전송 시스템
- 아래 그림은 MUX와 DEMUX로 구현한 데이터 전송 시스템이다.
- 가정) MUX의 선택선 (A, B) 값이 01 이고, DEMUX의 선택선 (A, B) 값은 11 이다.
- MUX는 4개의 입력선이 존재하지만, 실제로 출력, Y와 연결된 입력선은 X1이다.
즉, 4개의 입력선으로부터 한 번에 여러 데이터가 들어오지만, 실제로 출력으로 나가는 입력 데이터는 X1으로 들어오는 데이터이다. - DEMUX는 4개의 출력선이 존재하지만, 실제로 입력 단자, X로 부터 들어온 데이터를 출력으로 나가는 출력선은 Y3이다.
즉, 출력으로 내보낼 수 있는 출력선은 4개이지만, 실제로 입력 데이터를 출력으로 나가는 출력선은 Y3이다.

- MUX와 DEMUX의 선택 신호를 동기화 시켜면 하나의 통신선으로 여러 채널의 데이터를 전송하는 시분할 다중화 (Time Division Mulitplexing)가 가능해진다.
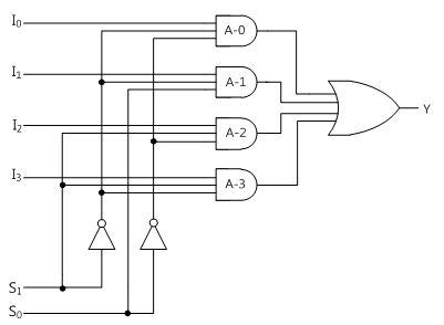
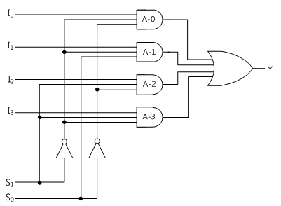
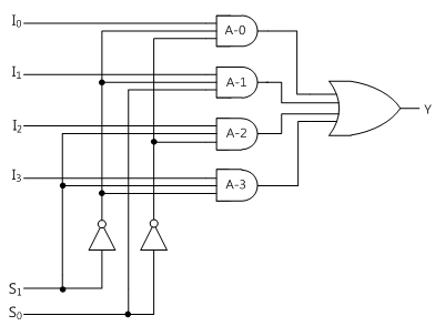
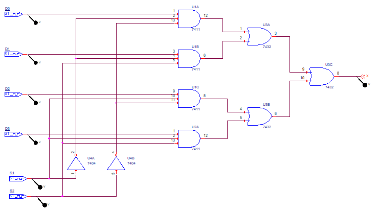
4. PSpice을 통한 MUX 구현
- 4입력 MUX는 다음과 같은 진리표를 갖는다.
- 입력선은 I0 ~ I3까지 4개의 입력을 가지며, 4개의 입력선들을 통해 데이터가 들어오지만, 실제로 출력으로 나가는 값은 선택선 S1, S0에 의해 선택된 입력선으로 들어오는 데이터가 나간다.

- 위 진리표를 토대로 출력 Y에 대한 논리식과 논리 회로를 구성하면 다음과 같다.


- PSpice를 통해 4입력 MUX의 논리회로를 설계한 뒤, 진리표와 동일하게 출력이 발생하는지 확인하자.


- 시뮬레이션을 통해 선택선 S0, S1에 의해 선택된 입력선으로 들어오는 데이터가 출력으로 나가는 것을 확인할 수 있다
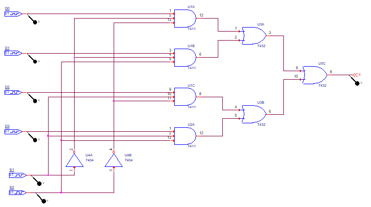
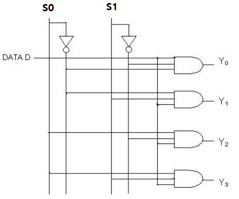
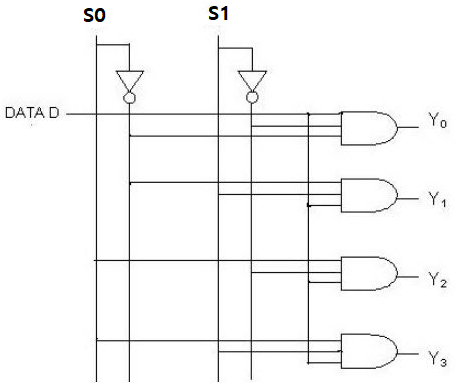
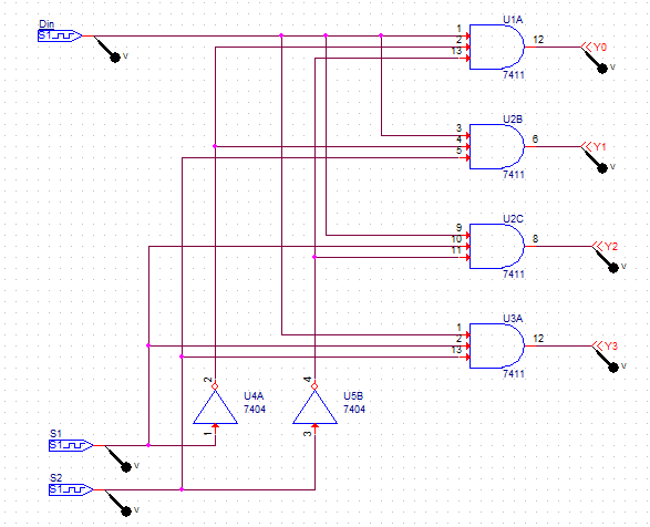
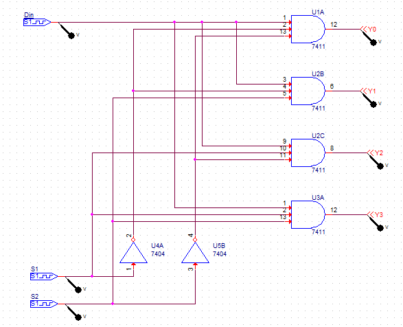
5. PSpice을 통한 DEMUX 구현
- 4출력 DEMUX는 다음과 같은 진리표를 갖는다.
- 4개의 출력선을 갖지만, 선택선 S0, S1에 의해 선택된 출력선을 통해 입력 데이터가 출력된다.

- .위 진리표를 토대로 출력 Y0, Y1, Y2, Y3에 대한 논리식과 논리 회로 다음과 같다.
- Y0 = S1' S0' I
- Y1 = S1' S0 I
- Y2 = S1 S0' I
- Y3 = S1 S0 I

- PSpice를 통해 4출력 DEMUX의 논리회로를 설계한 뒤, 진리표와 동일하게 출력이 발생하는지 확인하자.


- 시뮬레이션을 통해 선택선 S0, S1에 의해 선택된 출력선으로 입력 데이터가 출력됨을 확인할 수 있다.
'논리 회로 > 디지털 논리 회로' 카테고리의 다른 글
| PSpice를 통한 Grey 코드 구현 (0) | 2024.07.03 |
|---|---|
| 그레이 코드 (Grey code) (0) | 2024.07.03 |
| Encoder와 Decoder (0) | 2024.07.03 |
| 감산기 (0) | 2024.07.03 |
| 4 bit parallel adder (4비트 병렬 가산기) (0) | 2024.07.02 |