Notice
Recent Posts
Recent Comments
Link
| 일 | 월 | 화 | 수 | 목 | 금 | 토 |
|---|---|---|---|---|---|---|
| 1 | ||||||
| 2 | 3 | 4 | 5 | 6 | 7 | 8 |
| 9 | 10 | 11 | 12 | 13 | 14 | 15 |
| 16 | 17 | 18 | 19 | 20 | 21 | 22 |
| 23 | 24 | 25 | 26 | 27 | 28 | 29 |
| 30 |
Tags
- D Flip Flop
- i2c 통신
- gpio
- Pspice
- behavioral modeling
- hc-sr04
- prescaling
- structural modeling
- verilog
- BASYS3
- test bench
- atmega 128a
- ring counter
- pwm
- Recursion
- half adder
- uart 통신
- Algorithm
- FND
- java
- LED
- Edge Detector
- soc 설계
- KEYPAD
- DHT11
- Linked List
- dataflow modeling
- stop watch
- vivado
- ATMEGA128A
Archives
- Today
- Total
거북이처럼 천천히
4 bit parallel adder (4비트 병렬 가산기) 본문
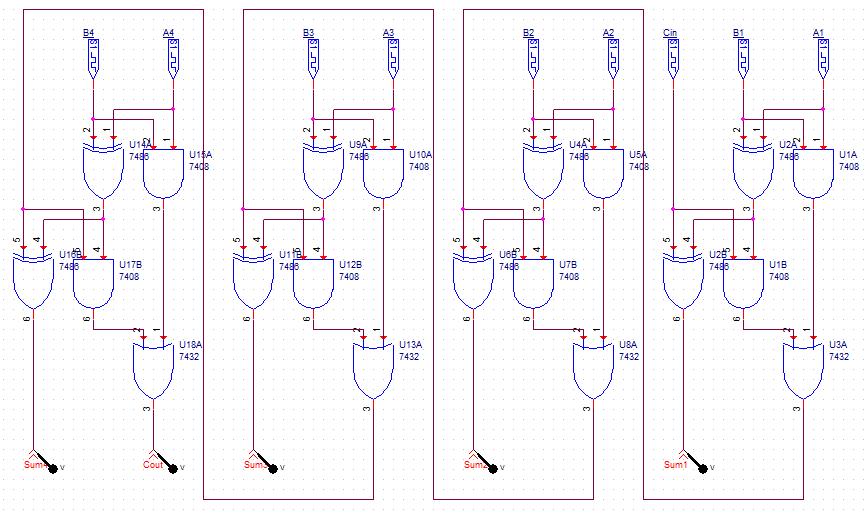
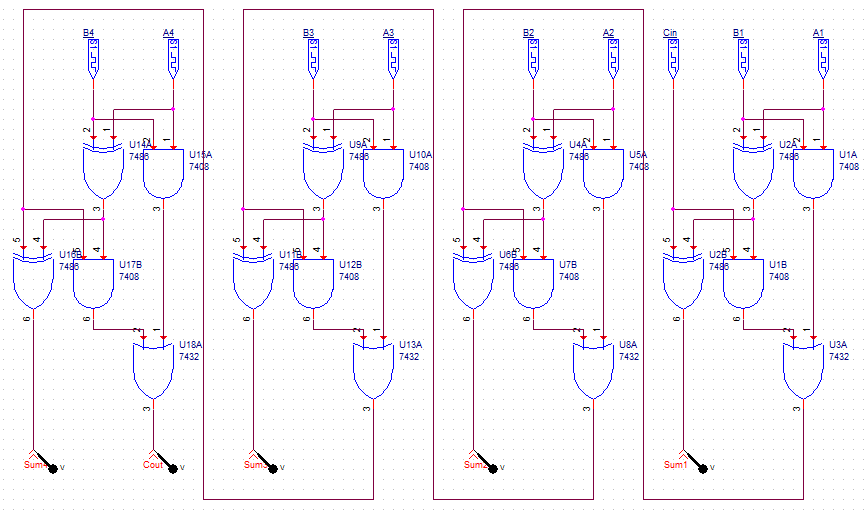
1. 4비트 병렬 가산기
- 병렬 가산기는 Full adder를 병렬로 연결하여 2bit 이상의 2진수를 덧셈 연산할 수 있는 가산기이다.
- 각각의 Full adder들은 각 비트에서 독립적으로 덧셈연산을 수행하며, LSB을 제외한 나머지 비트에 해당하는 Full adder들은 이전 비트에서 발생한 Carry 값을 받아 연산한다.
- 이전 비트로 부터 Carry값을 받아야 연산 할 수 있기 때문에 PDT (Propagation Delay Time)이 발생한다.

2. 4비트 병렬 가산기의 구현 (PSpice)
< Digital Circuit >

< Simulation >
- 입력 A : 0011, B : 1010
- 출력 Cout = 0, Sum = 1101

< Simulation >
- 입력 A : 1010, B : 0101
- 출력 Cout = 0, Sum = 1111

'논리 회로 > 디지털 논리 회로' 카테고리의 다른 글
| Encoder와 Decoder (0) | 2024.07.03 |
|---|---|
| 감산기 (0) | 2024.07.03 |
| 가산기 (0) | 2024.06.30 |
| 카르노 맵 (1) (0) | 2024.06.27 |
| 부울 대수, 드 모르강의 정리 (0) | 2024.06.27 |