Notice
Recent Posts
Recent Comments
Link
| 일 | 월 | 화 | 수 | 목 | 금 | 토 |
|---|---|---|---|---|---|---|
| 1 | ||||||
| 2 | 3 | 4 | 5 | 6 | 7 | 8 |
| 9 | 10 | 11 | 12 | 13 | 14 | 15 |
| 16 | 17 | 18 | 19 | 20 | 21 | 22 |
| 23 | 24 | 25 | 26 | 27 | 28 | 29 |
| 30 |
Tags
- dataflow modeling
- structural modeling
- DHT11
- BASYS3
- LED
- stop watch
- vivado
- Recursion
- verilog
- Edge Detector
- D Flip Flop
- FND
- ring counter
- pwm
- prescaling
- gpio
- i2c 통신
- behavioral modeling
- half adder
- ATMEGA128A
- java
- soc 설계
- atmega 128a
- hc-sr04
- Algorithm
- KEYPAD
- Pspice
- Linked List
- test bench
- uart 통신
Archives
- Today
- Total
거북이처럼 천천히
Verilog RTL 설계(7월 12일 - 6, 링 카운터) 본문
1. Ring Counter
- Ring 형태로 순환되는 Counter
- 출력 값 중에서 하나의 비트 값만 1이고, 나머지 비트는 0을 갖게되며, 순차적으로 Shift되며 출력된다.
- Ring 형태로 순환되는 구조를 갖기 때문에 마지막 비트에서 다시 첫 번째 비트로 돌아 온다.
- n 개의 플립플롭을 갖는다면 n개의 서로 다른 상태를 갖는다.
- 주로 순차적인 흐름 및 제어 필요한 시스템에서 사용된다.
- Verilog는 병렬적 처리를 하기 때문에 순차적인 처리를 설계하고 싶을 경우, 링 카운터를 사용한다.

2. Behavioral modeling of Ring Counter (Positive edge trigger)
< Source >
// Behavioral Modeling of Ring Counter
module Behavioral_Modeling_Of_Ring_Counter_Positive(
input clk, enable, reset_p,
output reg [3:0] count );
always @(posedge clk or posedge reset_p) begin
if(reset_p) count = 4'b0001;
else if(enable) begin
case(count)
4'b0001 : count = 4'b0010;
4'b0010 : count = 4'b0100;
4'b0100 : count = 4'b1000;
4'b1000 : count = 4'b0001;
default : count = count;
endcase
end
end
endmodule
< Simulation >

3. Behavioral modeling of Ring Counter by using shift operator (Negative edge trigger)
- Behavioral modeling of Ring Counter를 통해 알 수 있듯이 count 값이 왼쪽으로 1bit 씩 Shift 됨을 확인할 수 있다.
- 모든 입력 경우의 수에 대해서 출력을 정의할 필요 없이 Shift operator를 사용하여 구현할 수 있음을 생각할 수 있다.
< Source >
// Behavioral modeling of Ring Counter by using Shift operator
module Behavioral_Modeling_of_Ring_Counter_By_using_Shift_Operator(
input clk, enable, reset_n,
output reg [3:0] count );
always @(posedge clk or negedge reset_n) begin
if(!reset_n) count = 4'b0001;
else if(enable) begin
if(count == 4'b1000) count = 4'b0001;
else count = count << 1;
end
else count = count;
end
endmodule
< Simulation >

< RTL Analysis >

4. Behavioral Modeling of Ring Counter by using concatenation operator.
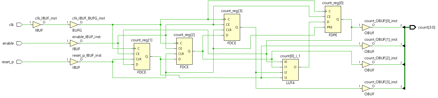
- Shift 연산자도 PDT (Propagation delay time)이 적기 때문에 충분히 좋은 코드이지만, 다음과 같이 결합 연산자로 Shift 연산자를 대신하면 Shift operator의 논리 회로가 필요없다.
- 즉, 결합 연산자를 통해 Shift 연산자를 대체할 수 있다.
- ★★★★★★
Q) 왜 Shift 연산자를 사용하지 않고, 왜 결합 연산자를 사용하는가?
A) RTL analysis 를 보게 되면 Shift 연산자를 수행하기 위한 회로가 생성되지 않았음을 확인할 수 있고, 이는 추가적으로 Shift 연산자를 위한 논리 회로를 생성하지 않음으로서 자원 절약을 할 수 있어 보다 효율적이라 볼 수 있다.
< Source >
// Behavioral modeling of ring counter by using concatenation operator.
module Behavioral_Modeling_of_Ring_Counter_By_using_concatenation_operator(
input clk, enable, reset_p,
output reg [3:0] count );
always @(posedge clk or posedge reset_p) begin
if(reset_p) count = 4'b0001;
else if(enable) begin
if(count == 4'b1000) count = 4'b0001;
else count = {count[2:0], 1'b0};
end
else count = count;
end
endmodule
- count = {count[2:0], 1'b0}; : Shift 되어도 남아 있는 bit 자리수와 zero padding을 위한 0 값을 결합 연산자를 통해 결합함으로서 Shift 연산자와 유사한 기능을 수행할 수 있다.
< Simulation >

< RTL Analysis >

- Shift 연산자를 사용하지 않았기 때문에 Shift 연산자를 수행할 논리회로가 필요하지 않다.
- 따라서 결합 연산자로 이를 대체함으로서 자원의 절약을 할 수 있는 것이다.
< Synthesis >

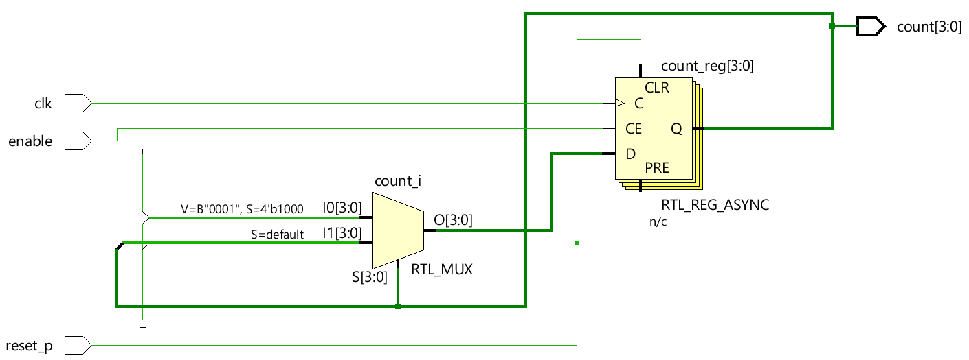
5. 왜 RTL analysis에서 아래 그림와 같이 GND에 연결하며, 이는 무엇을 의미하는가?

- count = {count[2:0], 1'b0} 코드를 보게 되면 결합 연산자를 이용하여 Shift 연산자를 대체하기 위해서 LSB에 Zero padding을 위해 1'b0 과 결합하였다.
- GND와 연결된 것도 Zero padding을 위해 접지와 연결된 것이다.
- 아래 그림을 보고, 생각하면 이해가 하기 상대적으로 쉬울 것이다.

'RTL Design > Verilog RTL 설계' 카테고리의 다른 글
| Verilog RTL 설계(7월 15일 - 1, 오전 내용 복습) (2) | 2024.07.15 |
|---|---|
| Verilog RTL 설계(7월 12일 - 6, Edge detector) (0) | 2024.07.15 |
| Verilog RTL 설계(7월 12일 - 5, 동기식 업/다운 카운터) (2) | 2024.07.14 |
| Verilog RTL 설계(7월 12일 - 4, 동기식 BCD 카운터) (2) | 2024.07.14 |
| Verilog RTL 설계(7월 12일 - 3, 동기식 카운터 - 2) (2) | 2024.07.14 |