Notice
Recent Posts
Recent Comments
Link
| 일 | 월 | 화 | 수 | 목 | 금 | 토 |
|---|---|---|---|---|---|---|
| 1 | ||||||
| 2 | 3 | 4 | 5 | 6 | 7 | 8 |
| 9 | 10 | 11 | 12 | 13 | 14 | 15 |
| 16 | 17 | 18 | 19 | 20 | 21 | 22 |
| 23 | 24 | 25 | 26 | 27 | 28 | 29 |
| 30 |
Tags
- uart 통신
- dataflow modeling
- gpio
- structural modeling
- half adder
- stop watch
- D Flip Flop
- BASYS3
- vivado
- ATMEGA128A
- behavioral modeling
- verilog
- ring counter
- test bench
- prescaling
- DHT11
- Recursion
- soc 설계
- atmega 128a
- Algorithm
- LED
- FND
- Linked List
- pwm
- Pspice
- hc-sr04
- KEYPAD
- i2c 통신
- java
- Edge Detector
Archives
- Today
- Total
거북이처럼 천천히
Half adder 본문
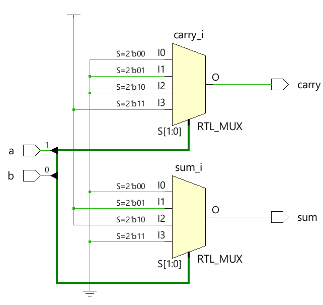
1. Half adder
1.1. Behavioral Modeling (by using case)
<Source>
// Behavioral modeling of Half adder
module Half_adder_Behavioral_Modeling(
input a, b,
output reg carry, sum);
always @(a, b) begin
case({a, b})
2'b00 : begin carry = 0; sum = 0;end
2'b01 : begin carry = 0; sum = 1;end
2'b10 : begin carry = 0; sum = 1;end
2'b11 : begin carry = 1; sum = 0;end
endcase
end
endmodule
<Simulation>

<RTL Analysis>

<Synthesis>

1.2. Structural Modeling
<Source>
// Behavioral modeling of and gate.
module and_gate (
input a, b,
output reg out);
always @(a, b) begin
case({a, b})
2'b00 : out = 0;
2'b01 : out = 0;
2'b10 : out = 0;
2'b11 : out = 1;
endcase
end
endmodule
// Behavioral modeling of xor gate.
module xor_gate (
input a, b,
output reg out);
always @(a, b) begin
case({a, b})
2'b00 : out = 0;
2'b01 : out = 1;
2'b10 : out = 1;
2'b11 : out = 0;
endcase
end
endmodule
// Structural modeling of half adder
module Half_adder_Structural_Modeling(
input a, b,
output sum, carry);
and_gate and0 (a, b, carry);
xor_gate xor0 (a, b, sum);
endmodule
<Simulation>

<RTL Analysis>

<Synthesis>

1.3. Dataflow Modeling
<Source>
// Dataflow modeling of Half adder
module Half_adder_Dataflow_modeling(
input a, b,
output sum, carry);
wire [1:0] result = a + b;
assign sum = result[0];
assign carry = result[1];
endmodule
<Simulation>

<RTL Analysis>

<Synthesis>

'RTL Design > Verilog 연습' 카테고리의 다른 글
| 1 bit Comparator (0) | 2024.06.30 |
|---|---|
| 4 bit parallel adder / subtractor (0) | 2024.06.30 |
| 4 bit parallel adder (0) | 2024.06.30 |
| Full adder (0) | 2024.06.29 |
| 2024년 6월 12일 - Verilog Review (1) | 2024.06.13 |