Notice
Recent Posts
Recent Comments
Link
| 일 | 월 | 화 | 수 | 목 | 금 | 토 |
|---|---|---|---|---|---|---|
| 1 | 2 | 3 | 4 | |||
| 5 | 6 | 7 | 8 | 9 | 10 | 11 |
| 12 | 13 | 14 | 15 | 16 | 17 | 18 |
| 19 | 20 | 21 | 22 | 23 | 24 | 25 |
| 26 | 27 | 28 | 29 | 30 | 31 |
Tags
- Linked List
- i2c 통신
- hc-sr04
- FND
- test bench
- structural modeling
- ring counter
- behavioral modeling
- uart 통신
- KEYPAD
- prescaling
- Algorithm
- vivado
- Recursion
- verilog
- Pspice
- Edge Detector
- ATMEGA128A
- half adder
- dataflow modeling
- pwm
- gpio
- LED
- DHT11
- soc 설계
- BASYS3
- atmega 128a
- java
- stop watch
- D Flip Flop
Archives
- Today
- Total
거북이처럼 천천히
4 bit Comparator / 32 bit Comparator 본문
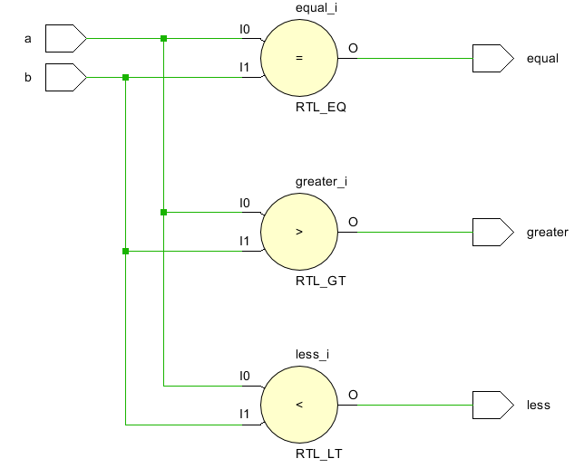
1. 4 bit Comparator (Dataflow Modeling)
< Source >
// Dataflow Modeling of 4bit Comparator
module Comparator_4bit_Dataflow_Modeling(
input [3:0] a, b,
output equal, greater, less );
assign equal = (a == b)? 1 : 0;
assign greater = (a > b)? 1 : 0;
assign less = (a < b)? 1 : 0;
endmodule
< RTL Analysis >

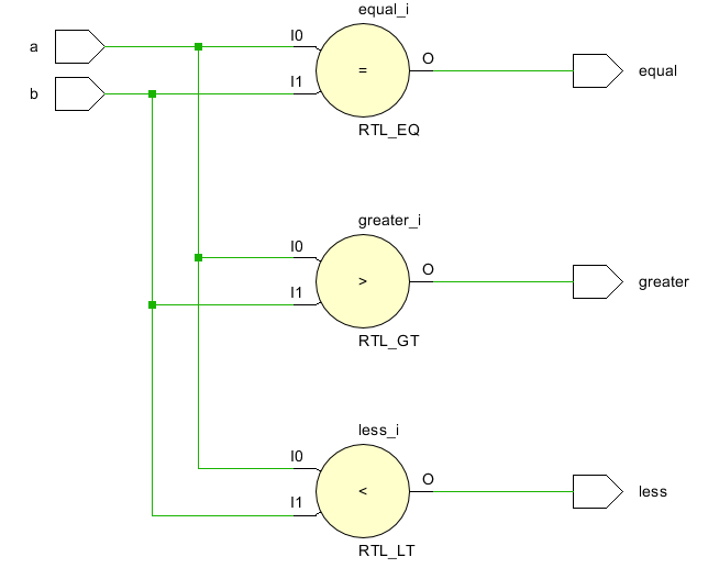
2. 32 bit Comparator (Dataflow Modeling)
< Source >
// Dataflow Modeling of 32 bit Comparator.
module Comparator_32bit_Dataflow_Modeling(
input [31:0] a, b,
output equal, greater, less);
assign equal = (a == b)? 1 : 0;
assign greater = (a > b)? 1 : 0;
assign less = (a < b)? 1 : 0;
endmodule
< RTL Analysis >

'RTL Design > Verilog 연습' 카테고리의 다른 글
| 4 X 2 Encoder / 2 X 4 Decoder (0) | 2024.07.01 |
|---|---|
| Module with parameters (0) | 2024.06.30 |
| 1 bit Comparator (0) | 2024.06.30 |
| 4 bit parallel adder / subtractor (0) | 2024.06.30 |
| 4 bit parallel adder (0) | 2024.06.30 |