Notice
Recent Posts
Recent Comments
Link
| 일 | 월 | 화 | 수 | 목 | 금 | 토 |
|---|---|---|---|---|---|---|
| 1 | ||||||
| 2 | 3 | 4 | 5 | 6 | 7 | 8 |
| 9 | 10 | 11 | 12 | 13 | 14 | 15 |
| 16 | 17 | 18 | 19 | 20 | 21 | 22 |
| 23 | 24 | 25 | 26 | 27 | 28 | 29 |
| 30 |
Tags
- half adder
- uart 통신
- Pspice
- test bench
- ATMEGA128A
- KEYPAD
- hc-sr04
- verilog
- i2c 통신
- java
- atmega 128a
- vivado
- ring counter
- FND
- LED
- dataflow modeling
- structural modeling
- DHT11
- gpio
- Edge Detector
- Recursion
- pwm
- Linked List
- prescaling
- stop watch
- D Flip Flop
- BASYS3
- soc 설계
- behavioral modeling
- Algorithm
Archives
- Today
- Total
거북이처럼 천천히
Ring Counter 본문
1. Ring Counter
- Ring Counter는 Shift register를 이용한 Counter이다.
- Ring Counter는 Shift register와 다른 차이점을 갖는다.
- 첫 번째 Flip-Flop은 외부로부터 데이터를 받지 않고, 마지막 Flip-Flop의 출력을 Feedback하여 받는다.
- 첫 번째 Flip-Flop은 초기에 1로 설정하기 위해 독립적인 PR 단자를 갖는다.
- 첫 번째 Flip-Flop은 외부 데이터와 동기화 되어 있지 않기 때문에 초기 설정을 제외하고, 독립적으로 동작한다. - 자세한 Ring Counter는 아래 게시글을 참조하자.
Ring Counter (tistory.com)
Ring Counter
1. Ring CounterRing Counter는 Shift Register로 구성된 디지털 카운터 (Digital Counter)이다.Ring Counter의 첫 번째 Flip Flop은 외부로부터 데이터를 받지 않고, 마지막 Flip-Flop의 출력을 Feedback을 받는다.이렇게 하
jbhdeve.tistory.com
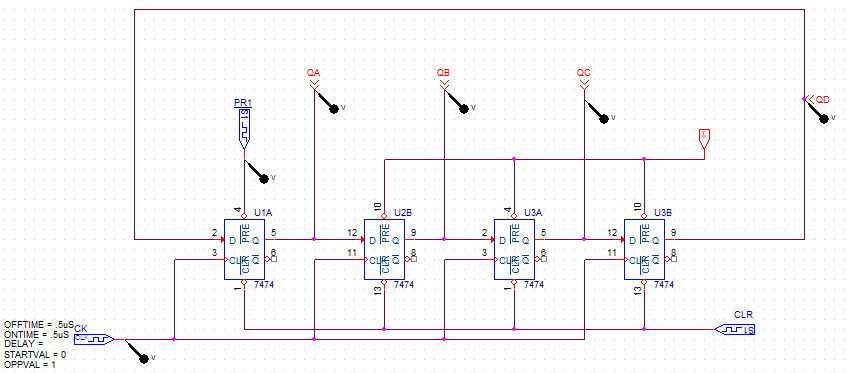
2. PSpice을 통한 Ring Counter 설계
< Gate circuit >

< Simulation >

< Analysis >
- 첫 번째 Flip-Flop 에 초기 값으로 1을 Set하기 위해 PR1 단자에 0.2us에서 0을 입력했다가 0.3us에 다시 1로 입력했다.
- 7474 IC Package의 PR, CLR 단자는 Active-Low이기 때문에 0일 때 해당 단자의 기능이 활성화되고, 0일 때 해당 단자의 기능이 비활성화 된다.
- 각각의 Flip-Flop 들은 이전 Flip-Flop의 출력을 입력값으로 받는다.
- QA는 QD의 출력을, QB는 QA의 출력을, QC는 QB의 출력을, QD는 QC의 출력을 받는다.
- 이처럼 이전 Flip-Flop의 출력을 입력으로 받는 Counter을 "Ripple Counter"라한다. - 시뮬레이션을 통해 Rising edge에서 각각의 Flip-Flop들이 이전 Flip-Flop의 출력을 받아 데이터들이 오른쪽으로 1칸이 Shift됨을 확인할 수 있다.
'논리 회로 > PSpice' 카테고리의 다른 글
| 7447 Decoder (0) | 2024.07.10 |
|---|---|
| SISO Shift Register (0) | 2024.07.04 |
| D Flip-Flop의 IC Package (7474) (0) | 2024.07.04 |
| DigClock 설정 (1) | 2024.07.04 |